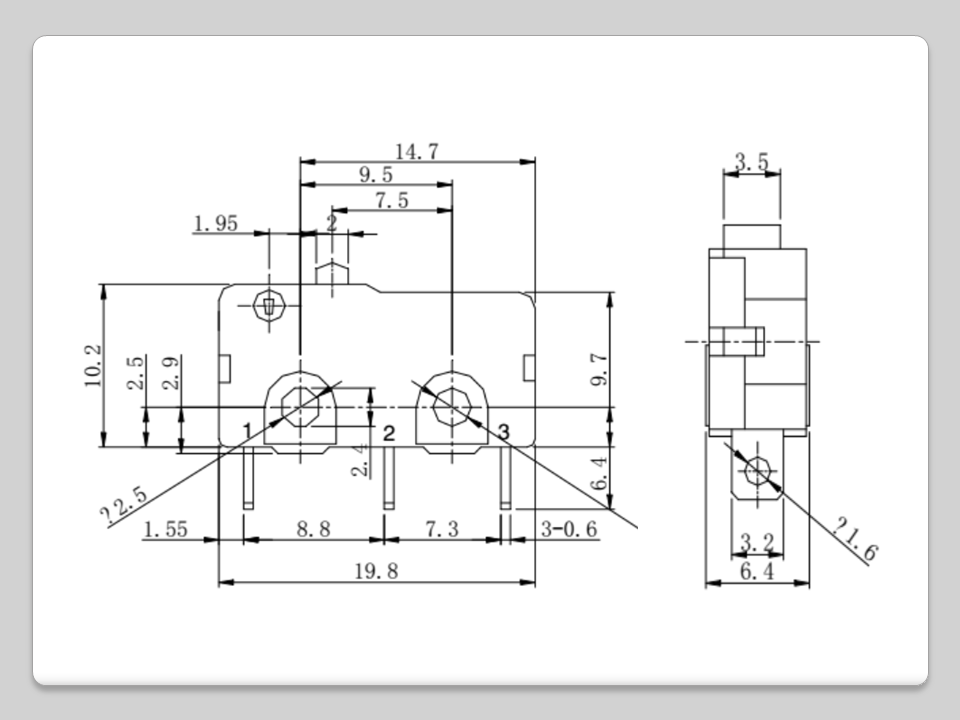
G15-10SM-150 Current Position:Home>product>switch/others>g15-10sm-150