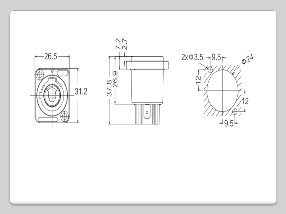
12V DC CONNECTOR JACK Current Position:Home>product>12v dc connector jack